Omschrijving
Het 4Tecx kastdeurslot met cilinder RVS 1258/87 is een insteekslot voor kastdeuren die met een profielcilinderafgesloten moeten worden. Je past dit type slot toe bij kastdeuren waar een afsluitfunctie met cilinder gewenst is, bijvoorbeeld wanneer meerdere deuren met één sleutel bediend moeten worden. Het slot vergrendelt de deur met een mechanische nachtschoot en heeft geen dagschoot.
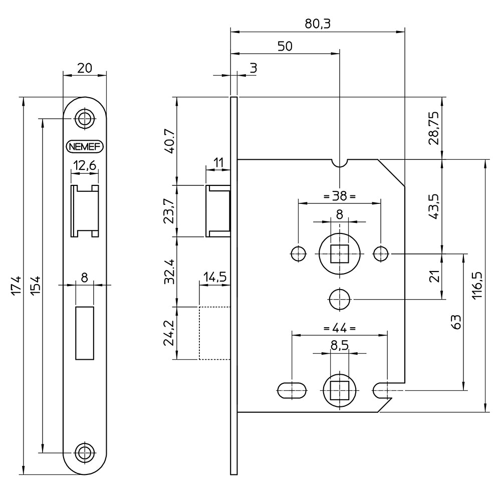
Dit kastdeurslot behoort tot de insteeksloten voor binnendeuren van 4Tecx en is bedoeld voor toepassing in standaard kastdeuren. Daardoor sluit het slot aan op gangbare maatvoeringen en past het in veelvoorkomende deur- en slotgatconfiguraties.
Toepassing en werking
Het kastdeurslot werkt met een mechanische nachtschoot die de gebruiker met een profielcilinder bedient. Wanneer de gebruiker de sleutel draait, schuift de nachtschoot in de sluitplaat van het kozijn. Hierdoor blijft de deur afgesloten zolang de cilinder in vergrendelde stand staat.
Omdat het slot geen dagschoot heeft, houdt het de deur alleen gesloten wanneer deze daadwerkelijk op slot is gedraaid. Daarom is dit slot geschikt voor kastdeuren waarbij een gecontroleerde afsluiting met cilinder nodig is.
Daarnaast is de nachtschoot omlegbaar. Daardoor kan de monteur het slot toepassen in zowel links- als rechtsdraaiende kastdeuren, wat montage en vervanging vereenvoudigt.
Uitvoering en montage
Het 4Tecx kastdeurslot met cilinder RVS 1258/87 is voorzien van een RVS voorplaat en beschikt over een PC-uitsparing voor profielcilinderbediening. De uitvoering is geschikt voor standaard kastdeuren. De montage verloopt via het insteekslotprincipe en sluit aan op gangbare boor- en freesmaten. Hierdoor kan het slot in veel gevallen zonder aanpassing van de deur worden geplaatst.
De constructie is afgestemd op regulier gebruik. Daarmee biedt het slot een functionele en betrouwbare oplossing voor kastdeuren met cilinderafsluiting.
Waarom kiezen voor het 4Tecx kastdeurslot met cilinder RVS 1258/87?
-
Geschikt voor kastdeuren met cilinderafsluiting
-
Vergrendeling via mechanische nachtschoot
-
Geen dagschoot, uitsluitend afsluiten met profielcilinder
-
Voorzien van PC-uitsparing
-
Toepasbaar in links- en rechtsdraaiende kastdeuren
-
Standaard maatvoering voor eenvoudige montage en vervanging
-
Voorzien van RVS voorplaat
Standaard meegeleverd
Specificaties
| Merk | |
| Serie | |
| SKU | |
| EAN | |
| Categorie | |
| Uitvoering | |
| Krukgatmaat | |
| Doornmaat | |
| Draairichting | |
| Vorm voorplaat | |
| Afmeting voorplaat | |
| Materiaal | |
| Kleur | |
| Stift afmeting |



