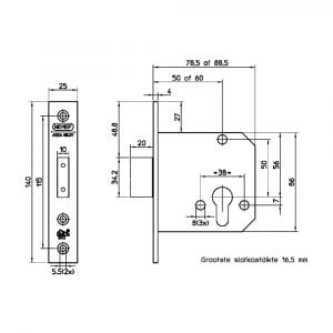
Productomschrijving
- Voldoet aan SKG**® keurmerk en het Politie Keurmerk Veiling Wonen.
- Toepasbaar op binnen- of naar buiten draaiende deur.
- Messing nachtschoot met zaagbelemmering voor een hogere veiligheid
- 1-toers.
- Extra dikke voorplaat van roestvast staal.
- Afgeronde voorplaat.
- Gaten voor patentbouten.
- Geschikt voor een europrofielcilinder.
- Doornmaat 50 mm.


Plus- & minpunten
Voldoet aan SKG**® keurmerk.
Met dit slot heb je een extra cilinder en/of deurbeslag nodig.
Sluitkom niet standaard bijgeleverd.
Standaard meegeleverd
- 1 stuks sluitplaat P4228.
Kenniscentrum
Download hier de montagehandleiding:
Nemef montagehandleiding bijzetslot 4228-17







